EN
售后报修

微信扫码

二维码
查询
搜索
通用型KLR13N
功能特点

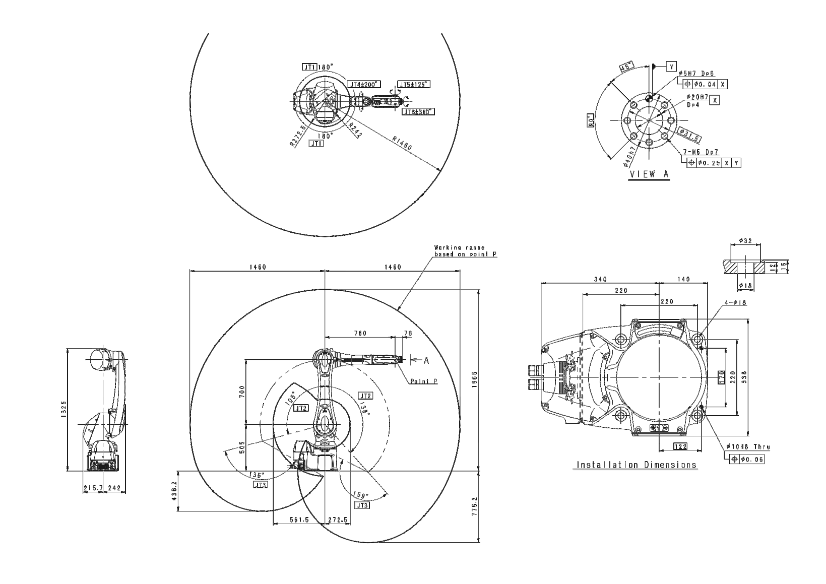
KLR13N机型:适用于装配、上下料、搬运、分拣、检测、涂胶、抛光、去毛刺、研磨、电焊、喷涂等。

技术参数
基本项目
参数值
项目名称
KLR13N
功能简述
适用于装配、上下料、搬运、分拣、检测、涂胶、抛光、去毛刺、研磨、电焊、喷涂等。
手臂形式
垂直多关节型
自由度
6轴
最大负载
13kg
重复定位精度
±0.03mm
最大覆盖范围
1460mm
合成最大速度
12750mm/s
本体重量
170kg
安装方式
地面
Ip等级
手腕部:IP67相当
最大功率
4.5KW
对应控制柜
EA-HK-02
环境温度(安装环境)
0-45℃
相对湿度(安装环境)
35-85%(无结露)
臂旋转
最大行程:±180° 最大速度:265°/s
臂前后
最大行程:+138°至-105° 最大速度:250°/s
臂上下
最大行程:+135°至-159° 最大速度:265°/s
腕旋转
最大行程:±200° 最大速度:475°/s 最大扭矩:26N.m 惯性力矩:0.9kg.m²
腕弯曲
最大行程:±125° 最大速度:475°/s 最大扭矩:26N.m 惯性力矩:0.9kg.m²
腕扭转
最大行程:±360° 最大速度:730°/s 最大扭矩:10N.m 惯性力矩:0.3kg.m²
咨询
售后
售后报修
回顶部